HƯỚNG DẪN SỬ DỤNG MÁY SƯỞI GỐM CREEN CR-H38C

BỘ PHẬN ĐIỀU KHIỂN:

THÔNG SỐ KĨ THUẬT:

 

Model

CR-H38C

Điện áp

220v

Tần số

50Hz

Công suất định mức

2000W

Kích thước sản phẩm

340 x 275 x 165 mm

Trọng lượng tịnh

2.4 kg

Trọng lượng cả bì

3.0 kg

ĐẶC ĐIỂM CHỨC NĂNG:

  • Sản phẩm máy sưởi dạng treo sử dụng các thành phần bán dẫn PTC tiên tiến để tạo ra nhiệt nóng, nhiệt nóng được tạo ra được truyền ra ngoài thông qua quạt gió.
  • Ưu điểm vận hành làm nóng nhanh, nhiệt đồng đều, không tạo ra tia lửa, không gây đốt cháy oxy, là sản phẩm có hiệu suất cao.
  • Máy có chức năng bảo vệ quá nhiệt.

CÁCH LẮP ĐẶT SẢN PHẨM:

Phương pháp số 1: Lắp sản phẩm không sử dụng ốc cố định:

  • Sử dụng một đầu của móc treo sản phẩm ngoắc vào lỗ nằm trên mặt sau của sản phẩm và có xu hướng đẩy lên trên cho khít.
  • Sau đó lấy đầu còn lại của móc treo móc vào giá treo khăn (xem hình).

Phương pháp số 2: Lắp sản phẩm sử dụng ốc cố định:

  • Sử dụng khoan điện khoan tạo 2 lỗ thẳng hàng với khoảng cách 14.5 cm.
  • Dùng một đầu của móc treo sản phẩm ngoắc vào lỗ nằm trên mặt sau của sản phẩm và có xu hướng đẩy lên trên cho khít.
  • Đầu còn lại của móc treo được cố định vào lỗ đã khoan trước đó bằng ốc vít.

PHƯƠNG PHÁP SỬ DỤNG:

Bật máy, chọn chức năng:

  • Kết nối nguồn điện bằng cách cắm trực tiếp phích cắm vào bảng điện.
  • Xoay núm vặn theo nấc để chọn chức năng: Gió tự nhiên/ Sưởi mức thấp (1200W)/ Sưởi mức cao (2000W).

Tắt máy:

  • Xoay núm vặn tới vị trí “Tắt máy”.
  • Rút phích cắ.
  • Chờ máy nguội rồi đóng gói bảo quản nếu cần. 

Bảo vệ máy:

  • Khi máy gặp sự cố quá tải nhiệt, máy có bảo vệ dừng máy.
  • Khi máy nguội, có thể tiếp tục sử dụng.

LƯU Ý LẮP ĐẶT:

  • Vị trí lắp đặt sản phẩm không vượt quá 180 cm, khoảng cách an toàn so với các vật phẩm khác cách trái - phải tối thiểu 50 cm, cách trên - dưới tối thiểu 60 cm, đảm bảo sự lưu thông không khí tốt.
  • Khách hàng lắp đặt sản phẩm trong phòng tắm, nơi có vòi nước, bể bơi, chú ý khoảng cách an toàn ( xem hình ). Đồng thời, tuyệt đối không tiếp xúc gần bộ phận điều khiển của sản phẩm.

LƯU Ý SỬ DỤNG:

  • Đây là sản phẩm dùng trong phòng, không thích hợp sử dụng ngoài trời.
  • Trước khi sử dụng, cần kiểm tra nguồn điện phù hợp điện áp của sản phẩm 220V/50Hz hay không. Dòng điện không nhỏ hơn 10A. Kiểm tra dây điện, phích cắm xem có bị hư hại hay hỏng không.
  • Cảnh báo: để tránh quá nhiệt sản phẩm, không được trùm, phủ máy sưởi. Máy sưởi không được đặt để ngay dưới ổ cắm điện.
  • Nghiêm cấm không trùm, phủ kín máy sưởi, tránh trường hợp đồng thời sử dụng các thiết bị điện tử khác trong phòng có thể gây quá tải nhiệt dẫn đến cháy nổ.
  • Không sử dụng sản phẩm gần bồn tắm, bể bơi, nơi giặt là, nơi có vòi phun nước…
  • Khi máy đang chạy, không đặt tay chân ở gần cửa ra gió, tay dính nước không tiếp xúc với sản phẩm.
  • Cắm điện sản phẩm trực tiếp vào bảng điện, không được nối dây.
  • Khi sử dụng sản phẩm, phải đặt máy vững, không đặt nằm hay đặt nghiêng. Không chạm hay di chuyển sản phẩm khi máy đang hoạt động.
  • Không được sử dụng sản phẩm này gần những nơi có vật dễ cháy - nổ, dễ gây cháy - nổ. Không sử dụng sản phẩm này trong phòng có thảm, hoặc vật dụng tương tự. Tránh ánh nắng mặt trời chiếu trực tiếp vào sản phẩm.
  • Không đặt và sử dụng sản phầm gần rèm cửa, quần áo…Không sử dụng sản phẩm ở những nơi dễ xảy ra va chạm, không ổn định.
  • Không đặt vật nặng/ vật dụng chứa nước/ ngọn lửa trần phía trên sản phẩm.
  • Không được cắm phích và rút phích cắm để thay thế cho việc bật / tắt nguồn của sản phẩm.
  • Không dùng dây kim loại hoặc dị vật khác nhét vào lưới máy gây hư hại máy sưởi.
  • Không ngâm sản phẩm trong nước, hoặc xịt rửa sản phẩm bằng nước.
  • Không cắm điện sản phẩm chung với các thiết bị điện khác có mức công suất tiêu thụ cao, không đặt để sản phẩm gần bảng cắm điện.
  • Khi không sử dụng sản phẩm, tắt nguồn và rút phích cắm điện.
  • Trẻ em, người già yếu, người thành niên bị suy giảm khả năng thể chất, giác quan, tinh thần hoặc thiếu kiến thức sử dụng sản phẩm không nên tự ý sử dụng. Không sử dụng sản phẩm khi không có giảm sát của người lớn.

SỰ CỐ VÀ SỬA CHỮA:

Sự cố

Phán đoán nguyên nhân

Cách khắc phục

Máy không hoạt động

  1. Đầu cắm dây nguồn chưa cắm đúng hoặc kết nối với nguồn điện lỏng lẻo
  2. Máy bị quá nhiệt
  1. Cắm lại dây nguồn

 

 

  1. Tắt máy, chờ cho máy nguội, rồi bật lại

 

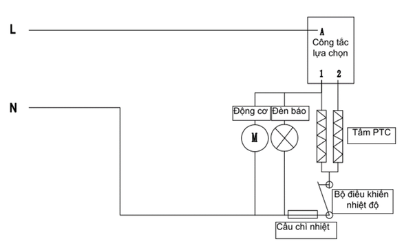
SƠ ĐỒ ĐIỆN:

BẢO DƯỠNG BẢO QUẢN:

  • Khi không sử dụng sản phẩm, vui lòng tắt máy và rút điện nguồn.
  • Trước khi tiến hành vệ sinh, bảo dưỡng sản phẩm, hãy tắt máy rồi rút dây nguồn chờ sản phẩm nguội.
  • Khi vệ sinh, dùng khăn khô sạch lau nhẹ bề mặt sản phẩm.
  • Không dùng cồn, xăng, dầu chuối, toluen và các dung môi tẩy rửa khác để vệ sinh sản phẩm gây ăn mòn hoặc làm thay đổi màu sắc sản phẩm.
  • Sau khi vệ sinh sản phẩm, chờ cho sản phẩm khô rồi mới tiếp tục sử dụng hoặc đóng gói.
  • Sản phẩm cần được bảo quản ở nơi khô ráo, thoáng mát. 

ĐIỀU KIỆN BẢO HÀNH:

Sản phẩm không được chấp thuận bảo hành trong các điều khiển nêu ra dưới đây:

  • Tất cả các sản phẩm lỗi do người sử dụng không tuân theo hướng dẫn sản phẩm tiến hành lắp đặt - sử dụng- vệ sinh - bảo trì - bảo dưỡng - bảo quản gây ra.
  • Tự ý tháo dỡ động cơ, các bộ phận khác của sản phẩm, thay đổi kết cấu sản phẩm….
  • Cắm sản phẩm vào nguồn điện không phù hợp, nguồn điện không ổn định, sản phẩm bị rơi, bị ngấm nước, sản phẩm hoạt động quá lâu bị quả nhiệt.
  • Khách hàng gửi sản phẩm lỗi về nhà máy nhưng trong quá trình vận chuyển bị hư hại.
  • Trường hợp bất khả kháng như chiến tranh, động đất, lũ lụt, hỏa hoạn và các thiên tai tự nhiên khác…
  • Sản phẩm quá thời gian bảo hành.
Lên đầu trang
CREEN CREEN CREEN
Trang chủ Danh mục Liên hệ Tài khoản Giỏ hàng